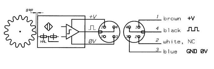
凱基特齒輪轉速傳感器核心部件是采用磁敏電阻作為檢測的元件,再經過全新的信號處理電路令噪聲降低,功能更完善。通過與其它類型齒轉速傳感器的輸出波形對比,所測到轉速的誤差極小以及線性特性具有很好的一致性.感應對象為磁性材料或導磁材料,如磁鋼、鐵和電工鋼等。當被測體上帶有凸起(或凹陷)的磁性或導磁材料,隨著被測物體轉動時,傳感器輸出與旋轉頻率相關的脈沖信號,達到測速或位移檢測的發訊目的。

| 制造者 | KJTDQ |
| 型號 | D12A |
| 傳感器類型 | 數字磁性和霍爾效應傳感器 |
| 電源電壓 | 8-32 DCV |
| 安裝螺紋 | M12x1 |
| 螺紋長度 | 0.5"-1.0" |
| 終端 | 連接器 |
| 其他 SKU | 否 |








