線速度傳感器
- ●:對導磁金屬具有極高的靈敏度
- ●:用在齒輪、齒條或凹凸不平的導磁金屬上,作計數、定位、檢測。
- ●:耐惡劣環境,如油、水、粉塵等。
- ●:具極佳的分辨率和極高的重復性。
- ●:寬頻響,可在0Hz~33KHz中使用。
- ●:抗電磁干擾大。
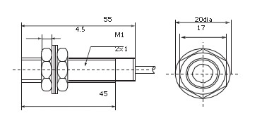
凱基特齒輪轉速傳感器核心部件是采用磁敏電阻作為檢測的元件,再經過全新的信號處理電路令噪聲降低,功能更完善。通過與其它類型齒轉速傳感器的輸出波形對比,所測到轉速的誤差極小以及線性特性具有很好的一致性.感應對象為磁性材料或導磁材料,如磁鋼、鐵和電工鋼等。當被測體上帶有凸起(或凹陷)的磁性或導磁材料,隨著被測物體轉動時,傳感器輸出與旋轉頻率相關的脈沖信號,達到測速或位移檢測的發訊目的。

| 檢測距離 | 2-3mm |
| 輸出形式 | NPN/PNP 自動識別 |
| 輸出電流 | 50mA |
| 工作電壓 | 12-30VDC |
| 測量精度 | ±一個脈沖 |
| 消耗電流 | ≤15mA |
| 響應頻率 | 0Hz~33KHz |
| 適用模數 | 齒間距≥3mm |
| 環境溫度 | - 2 5℃~ 7 0℃ |





◇因傳感器內部有永磁體,安裝時應注意避免齒輪與傳感器頭之間因吸引而產生撞擊,而使傳感器損壞。
◇若周圍電磁干擾大,建議增接屏蔽線,即外殼接地。
●35mm標準導軌安裝方式;
●輸入信號:霍爾開關,接近開關,光電開關,編碼器等
●變送器輸出DC12V給傳感器供電,不用另配傳感器電源;
●輸出DC4-20mA,0-20mA,0-5V等,轉速值與輸出信號成正比,轉速值與輸出信號的對應關系出廠前按用戶要求設置好。例如:設置0-3000rpm對應4-20mA,當用戶測量變送輸出信號為8mA,則對應轉速為750rpm
●RS485接口輸出,采用標準modbus-rtu協議,可與PLC,觸摸屏,組態軟件等組網。儀表地址,通信波特率,奇偶校驗位出廠可按用戶要求設置好,出廠后,用戶可用我們的上位機軟件自行進行設置。
●接線圖:


