180℃M12?????????????????????????????????
- ???????????????:KJT-J12GWM
- ??????????????:?????????
- ?????????????:-25~180℃
- ???????????:2mm
- ???????????????:M12*50
- ????????????:10-36VDC / 90-250VAC
? ? ? ? ????????????????????????????????????? KAIKIT ?????????????????,????????????????????????????????????????????????????????、??????????????????????????????? ???,???????????????-25~180℃???????????????。????????????????????????????????-25~180℃????????????????????????????????,????????????????????、???????、??????????????????????,?????????????????????????????、?????????、????????????????????????????????????????????????????????????????。??????????????????????????????????????????????????????????????????????????????????????????????????????????。

| ● ????????????????????????????? | DC ?????????????? |
| ●???????????、???????????、???????、??????????????????????????????? | DC ????????????? |
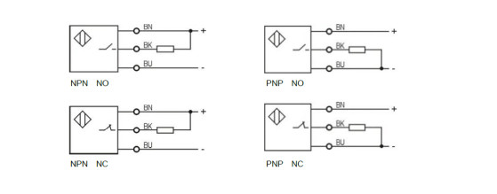
| ●??????????????????: ???????????????? | DC ??????NPN??????????? |
| ●????????????????: IP67(IEC) | DC ??????NPN??????? |
| ●????????????????: -40~180℃ | DC ??????PNP??????????? |
| DC ??????PNP??????? | |
| AC ????????????????? | |
| AC ????????????? |

| ??????????????? | KJT-J12GW |
| ?????????????? | ????????? |
| ??????????? | 2mm |
| ??????????????????????????? | -25~180℃ |
| ??????????????? | M12*1.5-55 |
| ???????????? | 10-36VDC / 90-250VAC |
| ????? Ripple | |
| ?????????????? | |
| ?????? ???????????? | 200mA |
| ????????????? | ≤1.5V |
| ?????????????? | 300Hz |
| ?????????? | |
| ????????????????????????????? | 220mA |
| ??????????????????? | YES |
| ???????????????? | |
| ?????????????? | |
| ??????????? | 0.5ms |
| ???????????????? | 2M ?????????? |
| ??????????????? | IP67 |
| ????????????????????? | PTFE |
| ????????????????? | ???????????????? |
| EMC | RFI>3V/M / EFT>1KV ?/ ?ESD>4KV(contact) |
| ????/????? | IEC 60947-5-2,Part7.4.1 ?/ ?IEC 60947-5-2,Part7.4.2 |





