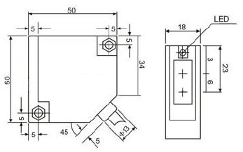
Q50???????????????????????????(????????????)
- ?????????????:Q50
- ???????????:???????????????????:Sn=100m
- ??????????????:???????????????????4mm
- ???????????????:IP 67
- ??????????????????:-5℃—+50℃
???????????????? KAIKET(???????????????????????????)???????????????????????????????????????????。???????????????、????????????????????????????????????????????。????????????????????????????????????????,??????????????????????????????????????????????????????,??????????????????,?????????????,????????????,??????????、????????????????????????????????????????;

| ????????????? | Q50 |
| ??????????? | ???????????????????:Sn=100m |
| ?????????????? | ???????????????????4mm |
| ???????????? | 10-30VDC |
| ?????????????? | |
| ?????????????????????????? | 150mA |
| ??????????? | |
| ????????????? | |
| ?????????????? | 120Hz |
| ??????????? | 0.1mS /0.1mS? |
| ?????????????? | |
| ???????????????? | |
| ??????????????? | IP 67 |
| ?????????????????? | -5℃—+50℃ |
| ?????????????? | |
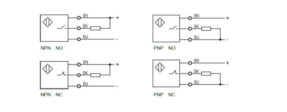
| ??????????????????? | Yes |
| LED?????????????? | Yes |
| ????????????????? | ???????? ??????? |
| ???????????????? | ???????????????? |





